Уважаемый клиент! Цены на сайте в процессе обновления. Уточняйте актуальную цену у менеджера в магазине.
Оригинальные запчасти
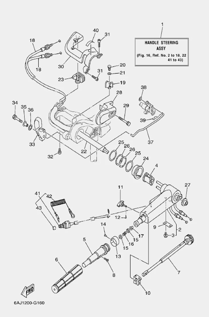
| № | Артикул | НАИМЕНОВАНИЕ | Кол-во деталей в узле | Примечание | Наличие | Цена | Аналоги | Фото | |
| 1 | 963-16001 |
Румпель в сборе
Под заказ |
1 |
Под заказ |
Купить | ||||
| 2 | 963-16002 |
Корпус румпеля
Под заказ |
1 |
Под заказ |
Купить | ||||
| 3 | 963-16003 |
Болт М6*20
Под заказ |
2 |
Под заказ |
Купить | ||||
| 4 | 963-16004 |
Втулка фиксирующая
Под заказ |
1 |
Под заказ |
Купить | ||||
| 5 | 963-16005 |
Основание ручки румпеля
Под заказ |
1 |
Под заказ |
Купить | ||||
| 6 | 963-16006 |
Ручка газа резиновая
Под заказ |
1 |
Под заказ |
Купить | ||||
| 7 | PNFMH40-15015 |
Вал регулировки газа
Под заказ |
1 |
Под заказ |
Купить | ||||
| 8 | 963-16008 |
Винт M5×20
Под заказ |
1 |
Под заказ |
Купить | ||||
| 9 | 963-16009 |
Пластина фиксатора
Под заказ |
1 |
Под заказ |
Купить | ||||
| 10 | 15FMH-11011 |
Направляющая оси румпеля
Под заказ |
1 |
Под заказ |
Купить | ||||
| 11 | PNFMH40-15018 |
Болт регулировочный румпеля
Под заказ |
1 |
Под заказ |
Купить | ||||
| 12 | 15FMH-07025 |
Уплотнитель стартера
Под заказ |
1 |
Под заказ |
Купить | ||||
| 13 | 963-16013 |
Индикатор газа
Под заказ |
1 |
Под заказ |
Купить | ||||
| 14 | 15FMH-11015 |
Заклепка
Под заказ |
1 |
Под заказ |
Купить | ||||
| 15 | 963-16015 |
Шайба
Под заказ |
2 |
Под заказ |
Купить | ||||
| 16 | 963-16016 |
Пружина
Под заказ |
1 |
Под заказ |
Купить | ||||
| 17 | 963-16017 |
Втулка
Под заказ |
1 |
Под заказ |
Купить | ||||
| 18 | 963-16018 |
Трос газа
Под заказ |
2 |
Под заказ |
Купить | ||||
| 19 | 963-16019 |
Держатель троса газа
Под заказ |
1 |
Под заказ |
Купить | ||||
| 20 | PNFM40E-12013 |
Болт
Под заказ |
1 |
Под заказ |
Купить | ||||
| 21 | 963-16022 |
Трубка защитная
Под заказ |
1 |
Под заказ |
Купить | ||||
| 22 | 963-16023 |
Уплотнение
Под заказ |
1 |
Под заказ |
Купить | ||||
| 23 | 963-16024 |
Внутренняя втулка
Под заказ |
1 |
Под заказ |
Купить | ||||
| 24 | 963-16025 |
Шайба румпеля
Под заказ |
2 |
Под заказ |
Купить | ||||
| 25 | 963-16026 |
Шайба волнообразная
Под заказ |
2 |
Под заказ |
Купить | ||||
| 26 | 963-16027 |
Шайба
Под заказ |
1 |
Под заказ |
Купить | ||||
| 27 | 963-16028 |
Крышка румпеля
Под заказ |
1 |
Под заказ |
Купить | ||||
| 28 | 15FMH-14026 |
Болт
Под заказ |
2 |
Под заказ |
Купить | ||||
| 29 | 963-16030 |
Кожух защитный
Под заказ |
1 |
Под заказ |
Купить | ||||
| 30 | 963-10013 |
Винт
Под заказ |
1 |
Под заказ |
Купить | ||||
| 31 | 963-16033 |
Ручка п/п
Под заказ |
1 |
Под заказ |
Купить | ||||
| 32 | 963-16034 |
Болт с шайбой M6×40
Под заказ |
1 |
Под заказ |
Купить | ||||
| 33 | 963-16035 |
Втулка
Под заказ |
1 |
Под заказ |
Купить | ||||
| 34 | 963-16036 |
Шайба пружинная φ22×φ15.5×0.5
Под заказ |
1 |
Под заказ |
Купить | ||||
| 35 | 963-16037 |
Вал ручки п/п
Под заказ |
1 |
Под заказ |
Купить | ||||
| 36 | 15FMH-11032 |
Индикатор п/п
Под заказ |
1 |
Под заказ |
Купить | ||||
| 37 | 15FMH-12013 |
Защелка
Под заказ |
1 |
Под заказ |
Купить | ||||
| 38 | 963-16040 |
Наклейка
Под заказ |
1 |
Под заказ |
Купить | ||||
| 39 | 963-16041 |
Кнопка останова двигателя в сборе
Под заказ |
1 |
Под заказ |
Купить | ||||
| 40 | 15FMH-11035 |
Чека кнопки остановки
Под заказ |
1 |
Под заказ |
Купить | ||||
| 41 | 15FMH-11036 |
Колпачек кнопки
Под заказ |
1 |
Под заказ |
Купить |
Нулевая цена не означает отсутствие товара. Оформите заказ, и менеджер сообщит вам цену и наличие товара, предварительно запросив их у поставщика