Каталог
Каталог Написать в WhatsApp
Мотоэкипировка

Карбюратор 2-х тактного ПЛМ MERCURY 30 M Серийный номер от 0N055505 и выше

Карбюратор 2-х тактного ПЛМ MERCURY 30 M Серийный номер от 0N055505 и выше в Краснодаре: актуальный каталог, цены, фото, описание. Купите карбюратор 2-х тактного плм mercury 30 m серийный номер от 0n055505 и выше в кредит – оформите заявку онлайн за 1 минуту!

Оригинальные запчасти

Артикул НАИМЕНОВАНИЕ Кол-во деталей в узле Примечание Наличие Цена Аналоги Фото
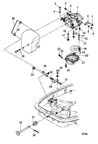
1 853720A8 Карбюратор 25-30 Light (CARBURETOR)

Под заказ

1

Под заказ

уточнить

Купить
2 16263 STOP SCREW

Под заказ

1

Под заказ

уточнить

Купить
3 16264 SPRING, STOP SCREW

Под заказ

1

Под заказ

уточнить

Купить
4 8129351 Болт (IDLE SCREW)

Под заказ

1

Под заказ

уточнить

Купить
5 162661 SPRING

Под заказ

1

Под заказ

уточнить

Купить
6 952683 THROTTLE LEVER

Под заказ

1

Под заказ

уточнить

Купить
7 853788 ROLLER

Под заказ

1

Под заказ

уточнить

Купить
8 853723 LOCKWASHER

Под заказ

1

Под заказ

уточнить

Купить
9 853722 NUT

Под заказ

1

Под заказ

уточнить

Купить
10 162571 SCREW

Под заказ

1

Под заказ

уточнить

Купить
11 162546 Игла карбюратора (FLOAT NEEDLE)

Под заказ

1

Под заказ

уточнить

Купить
12 853721 Держатель (VALVE PIN)

Под заказ

1

Под заказ

уточнить

Купить
13 16255 Клипса (CLIP, FLOAT VALVE)

Под заказ

1

Под заказ

уточнить

Купить
14 162511 Жиклер (SLOW JET #85)

Под заказ

1

Под заказ

уточнить

Купить
15 16252 Заглушка (CAP, SLOW JET)

Под заказ

1

Под заказ

уточнить

Купить
16 8126501 Главное сопло карбюратора (MAIN NOZZLE)

Под заказ

1

Под заказ

уточнить

Купить
17 162501 Главный жиклер (MAIN JET #155)

Под заказ

1

Под заказ

уточнить

Купить
18 162531 Поплавок карбюратора (FLOAT)

Под заказ

1

Под заказ

уточнить

Купить
19 16256 Штифт поплавка карбюратора (ARM PIN, FLOAT)

Под заказ

1

Под заказ

уточнить

Купить
20 162591 Уплотнитель (O RING)

Под заказ

1

Под заказ

уточнить

Купить
21 162582 FLOAT BOWL

Под заказ

1

Под заказ

уточнить

Купить
22 162611 DRAIN SCREW

Под заказ

1

Под заказ

уточнить

Купить
23 8537092 O RING

Под заказ

1

Под заказ

уточнить

Купить
24 16333 Защелка (ROD, Snap)

Под заказ

2

Под заказ

уточнить

Купить
25 853727001 Тяга (ROD)

Под заказ

1

Под заказ

уточнить

Купить
26 8537281 Крышка дроссельной заслонки (COVER)

Под заказ

1

Под заказ

уточнить

Купить
27 168285 Болт (BOLT)

Под заказ

2

Под заказ

уточнить

Купить
28 853726 BRACKET-CHOKE LEVER

Под заказ

1

Под заказ

уточнить

Купить
29 853725 CHOKE LEVER

Под заказ

1

Под заказ

уточнить

Купить
30 16223 Болт (BOLT)

Под заказ

1

Под заказ

уточнить

Купить
31 8537231 WAVE WASHER

Под заказ

1

Под заказ

уточнить

Купить
32 162111 Болт (BOLT)

Под заказ

2

Под заказ

уточнить

Купить
33 853724001 CHOKE KNOB

Под заказ

1

Под заказ

уточнить

Купить
34 8150261 Шплинт (COTTER PIN)

Под заказ

1

Под заказ

уточнить

Купить
35 8537093 BUSHING

Под заказ

1

Под заказ

уточнить

Купить
36 853780A1 REPAIR KIT, Carburetor

Под заказ

1

Под заказ

уточнить

Купить

Нулевая цена не означает отсутствие товара. Оформите заказ, и менеджер сообщит вам цену и наличие товара, предварительно запросив их у поставщика

Главная Магазины
Корзина0
Профиль